• Typical Application: Use with copper, aluminum and thermoplastic tubing. Not recommended for steel tubing. Manufactured for low and medium pressure tubing connection work where excessive vibration or tube movement is not involved. Not recommended for application using gaseous media.
• Pressure See table above for working pressures at 73℉ .
• Vibration Fair resistance - use long nut when greater vibration resistance is needed.
• Temperature Range -65℉ to +250℉ (-53℃ to +121℃) range at maximum operating pressures. (Refer to tubing temperature range.)
• Used With Aluminum, copper, brass and plastic tubing. Plastic tubing requires insert. Not recommended for steel tubing.
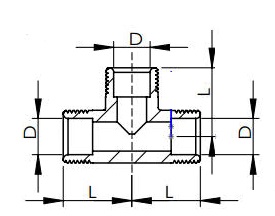
• Tolerance +/- .02 on all dimensions.
| Product Model | Description | Size | D | L | C | C1 |
| 64-2 | Compression Tee | 1/8 | 2.3 | 15.49 | 6.35 | 9.53 |
| 64-3 | Compression Tee | 3/16 | 4.95 | 14.98 | 7.94 | 11.1 |
| 64-4 | Compression Tee | 1/4 | 6.6 | 15.75 | 8.4 | 12.7 |
| 64-5 | Compression Tee | 5/16 | 8.2 | 18.42 | 11.1 | 14.28 |
| 64-6 | Compression Tee | 3/8 | 9.83 | 18.57 | 12.7 | 15.88 |
| 64-8 | Compression Tee | 1/2 | 13.11 | 23.88 | 14.06 | 19.05 |
| 64-10 | Compression Tee | 5/8 | 16.36 | 26.92 | 17.65 | 22.22 |
| 64-12 | Compression Tee | 3/4 | 19.25 | 29.67 | 19.05 | 28.58 |
| 64-14 | Compression Tee | 7/8 | 22.61 | 32 | 26.99 | 31.75 |
